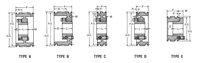
QD Sheaves by Martin Sprockets inc. offer reliable performance to keep your v-belts running smoother for longer on light or heavy-duty applications.
They are available in 1 to 12 groove configurations to suit your drive system and are compatible with static or dynamic balancing. QD Sheaves come with detachable bushings for easier installation and maintenance to keep drive systems in shape.

